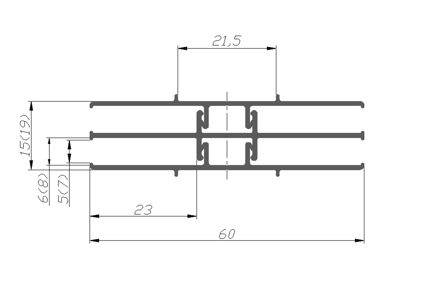
Основные размеры
Стандартная длина комплекта – 6 метров. Возможно изготовление комплектов другой длины под заказ
Комплекты для поликарбоната различной толщины
Система Flexyprof включает в себя комплект из трех профилей ПВХ и предназначена для сотового поликарбоната (СПК) толщиной 4 и 6 мм.
Варианты монтажа на трубы
Система Flexyprof монтируется на трубу квадратного либо прямоугольного сечения шириной 20 мм. Монтаж производится при помощи саморезов. Подробную инструкцию по сборке смотрите в разделе "Порядок монтажа".
Минимальный радиус дуги
Профили ПВХ, входящие в состав системы Flexyprof по своей гибкости значительно превосходят сотовый поликарбонат, поэтому величина изгиба арочных сооружений определяется свойствами применяемых марок СПК. Для фиксации поликарбоната в направляющих пазах, используйте торцевую планку с элементами зацепа
Инструкция по сборке и монтажу
ШАГ 1
К трубе крепится нижний ПВХ-профиль. Для крепления профиля применяются саморезы типа «клоп» 3,5х9,5 с наконечником в форме сверла. Точки установки саморезов распределяются по длине профиля с шагом 20…25 мм
ШАГ 2
Собираются средний и верхний ПВХ-профили, а также устанавливаются листы СПК
ШАГ 3
Верхний профиль фиксируется саморезом DIN968 4,2х 25 или 4,2х30 мм (длина выбирается в зависимости от толщины применяемого СПК) с наконечником в форме сверла с шагом 40…60 мм
ВАЖНО!
Будучи согнутой в дугу, изготовленная из СПК сдвижная секция арочного сооружения стремится к разгибу, что чревато ее выскакиванием из направляющих пазов. Для предотвращения такого выскакивания следует использовать специальные элементы зацепления, прикрепляемые к торцевой планке сдвижной секции. Это могут быть различные варианты металлических язычков, скоб и т. д. Выбор варианта зацепления зависит от индивидуальных предпочтений изготовителя.
